| LHS 61S SYSTEM - 3 x 230V/ 4kw |
주문번호 : 143.726 |
| 구분 |
단위 |
값 |
구분 |
단위 |
값 |
| 전압 |
V~ |
3 x 230 |
최대풍압 |
kPa |
100 |
| 소비전력 |
W |
4000 |
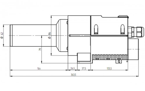
사이즈(LxWxH) |
mm |
363 × 114 × 136 |
| 최고토출온도 |
℃ |
650 |
중량 |
kg |
3.15 |
| 최고투입 공기온도 |
℃ |
65 |
Confomity mark |
|
 |
| 최고분위기 온도 |
℃ |
65 |
Approval mark |
|
 |
| 상대 습도 |
% |
5 - 95 (압축되지 않은 상태) |
Protection class I |
|
 |
| 토출부 외경 |
mm |
62 |
|
|
|
| LHS 61S SYSTEM - 3 x 230V/ 6kw |
주문번호 : 143.727 |
| 구분 |
단위 |
값 |
구분 |
단위 |
값 |
| 전압 |
V~ |
3 x 230 |
최대풍압 |
kPa |
100 |
| 소비전력 |
W |
6000 |
사이즈(LxWxH) |
mm |
363 × 114 × 136 |
| 최고토출온도 |
℃ |
650 |
중량 |
kg |
3.15 |
| 최고투입 공기온도 |
℃ |
65 |
Confomity mark |
|
 |
| 최고분위기 온도 |
℃ |
65 |
Approval mark |
|
 |
| 상대 습도 |
% |
5 - 95 (압축되지 않은 상태) |
Protection class I |
|
 |
| 토출부 외경 |
mm |
62 |
|
|
|
| LHS 61S SYSTEM - 1x400V/ 8.5kw |
주문번호 : 145.734 |
| 구분 |
단위 |
값 |
구분 |
단위 |
값 |
| 전압 |
V~ |
1x400 |
최대풍압 |
kPa |
100 |
| 소비전력 |
W |
8500 |
사이즈(LxWxH) |
mm |
363 × 114 × 136 |
| 최고토출온도 |
℃ |
650 |
중량 |
kg |
3.15 |
| 최고투입 공기온도 |
℃ |
65 |
Confomity mark |
|
 |
| 최고분위기 온도 |
℃ |
65 |
Approval mark |
|
 |
| 상대 습도 |
% |
5 - 95 (압축되지 않은 상태) |
Protection class I |
|
 |
| 토출부 외경 |
mm |
62 |
|
|
|
| LHS 61S SYSTEM - 3x400V/ 4kw |
주문번호 : 143.728 |
| 구분 |
단위 |
값 |
구분 |
단위 |
값 |
| 전압 |
V~ |
3x400 |
최대풍압 |
kPa |
100 |
| 소비전력 |
W |
4000 |
사이즈(LxWxH) |
mm |
363 × 114 × 136 |
| 최고토출온도 |
℃ |
650 |
중량 |
kg |
3.15 |
| 최고투입 공기온도 |
℃ |
65 |
Confomity mark |
|
 |
| 최고분위기 온도 |
℃ |
65 |
Approval mark |
|
 |
| 상대 습도 |
% |
5 - 95 (압축되지 않은 상태) |
Protection class I |
|
 |
| 토출부 외경 |
mm |
62 |
|
|
|
| LHS 61S SYSTEM - 3x400V/ 6kw |
주문번호 : 142.496 |
| 구분 |
단위 |
값 |
구분 |
단위 |
값 |
| 전압 |
V~ |
3x400 |
최대풍압 |
kPa |
100 |
| 소비전력 |
W |
6000 |
사이즈(LxWxH) |
mm |
363 × 114 × 136 |
| 최고토출온도 |
℃ |
650 |
중량 |
kg |
3.15 |
| 최고투입 공기온도 |
℃ |
65 |
Confomity mark |
|
 |
| 최고분위기 온도 |
℃ |
65 |
Approval mark |
|
 |
| 상대 습도 |
% |
5 - 95 (압축되지 않은 상태) |
Protection class I |
|
 |
| 토출부 외경 |
mm |
62 |
|
|
|
| LHS 61S SYSTEM - 3 x 400V/ 9kw |
주문번호 : 143.729 |
| 구분 |
단위 |
값 |
구분 |
단위 |
값 |
| 전압 |
V~ |
3 x 400 |
최대풍압 |
kPa |
100 |
| 소비전력 |
W |
9000 |
사이즈(LxWxH) |
mm |
363 × 114 × 136 |
| 최고토출온도 |
℃ |
650 |
중량 |
kg |
3.15 |
| 최고투입 공기온도 |
℃ |
65 |
Confomity mark |
|
 |
| 최고분위기 온도 |
℃ |
65 |
Approval mark |
|
 |
| 상대 습도 |
% |
5 - 95 (압축되지 않은 상태) |
Protection class I |
|
 |
| 토출부 외경 |
mm |
62 |
|
|
|
| LHS 61S SYSTEM - 480V/ 8kw |
주문번호 : 145.733 |
| 구분 |
단위 |
값 |
구분 |
단위 |
값 |
| 전압 |
V~ |
480 |
최대풍압 |
kPa |
100 |
| 소비전력 |
W |
8000 |
사이즈(LxWxH) |
mm |
363 × 114 × 136 |
| 최고토출온도 |
℃ |
650 |
중량 |
kg |
3.15 |
| 최고투입 공기온도 |
℃ |
65 |
Confomity mark |
|
 |
| 최고분위기 온도 |
℃ |
65 |
Approval mark |
|
 |
| 상대 습도 |
% |
5 - 95 (압축되지 않은 상태) |
Protection class I |
|
 |
| 토출부 외경 |
mm |
62 |
|
|
|
| LHS 61S SYSTEM - 3 x 480V/ 4kw |
주문번호 : 143.730 |
| 구분 |
단위 |
값 |
구분 |
단위 |
값 |
| 전압 |
V~ |
3 x 480 |
최대풍압 |
kPa |
100 |
| 소비전력 |
W |
4000 |
사이즈(LxWxH) |
mm |
363 × 114 × 136 |
| 최고토출온도 |
℃ |
650 |
중량 |
kg |
3.15 |
| 최고투입 공기온도 |
℃ |
65 |
Confomity mark |
|
 |
| 최고분위기 온도 |
℃ |
65 |
Approval mark |
|
 |
| 상대 습도 |
% |
5 - 95 (압축되지 않은 상태) |
Protection class I |
|
 |
| 토출부 외경 |
mm |
62 |
|
|
|
| LHS 61S SYSTEM - 3 x 480V/ 6kw |
주문번호 : 143.731 |
| 구분 |
단위 |
값 |
구분 |
단위 |
값 |
| 전압 |
V~ |
3 x 480 |
최대풍압 |
kPa |
100 |
| 소비전력 |
W |
6000 |
사이즈(LxWxH) |
mm |
363 × 114 × 136 |
| 최고토출온도 |
℃ |
650 |
중량 |
kg |
3.15 |
| 최고투입 공기온도 |
℃ |
65 |
Confomity mark |
|
 |
| 최고분위기 온도 |
℃ |
65 |
Approval mark |
|
 |
| 상대 습도 |
% |
5 - 95 (압축되지 않은 상태) |
Protection class I |
|
 |
| 토출부 외경 |
mm |
62 |
|
|
|